Descriptifs :
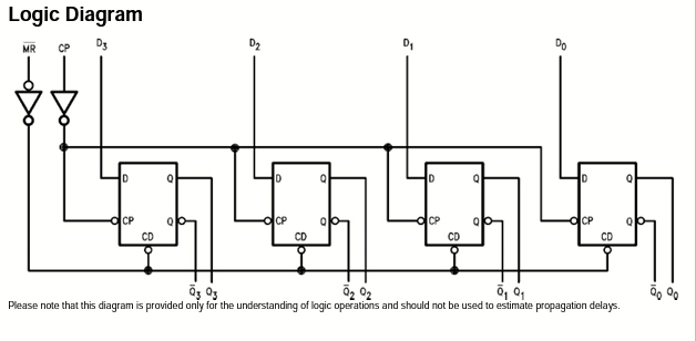
Le 74F175 est une bascule quadruple de type D à grande vitesse. Le dispositif est utile pour les exigences générales de bascule où les entrées d’horloge et d’effacement sont courantes. Les informations sur les entrées D sont stockées pendant la transition d’horloge de BAS à HAUTE. Des sorties vraies et complétées de chaque bascule sont fournies. Une entrée Master Reset réinitialise toutes les bascules, indépendamment des entrées Clock ou D, LOW.
Caractéristiques:
- Entrées de type D déclenchées par front
- Horloge tamponnée déclenchée par front positif
- Réinitialisation commune asynchrone
- Sortie vraie et complémentaire


Vous pouvez télécharger la fiche technique :


Reviews
There are no reviews yet.