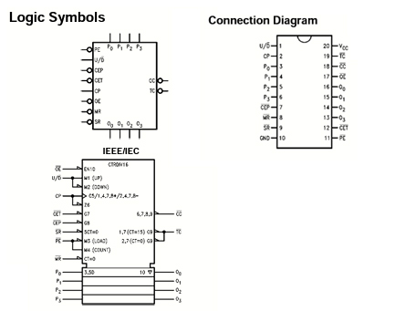
Description :
Le 74F569 est un compteur réversible entièrement synchrone avec des sorties à 3 ÉTATS. Le 74F569 est un compteur binaire, doté d’une capacité prédéfinie pour un fonctionnement programmable, d’une anticipation de report pour une mise en cascade facile et d’une entrée U/D pour contrôler le sens de comptage. Pour une flexibilité maximale, il existe des entrées de réinitialisation synchrones et asynchrones principales ainsi que des sorties Clocked Carry (CC) et Terminal Count (TC). Tous les changements d’état, à l’exception de la réinitialisation générale, sont initiés par le front montant de l’horloge. Un signal HAUT sur la Sortie.
L’entrée Enable (OE) force les tampons de sortie dans l’état haute impédance mais n’empêche pas le comptage, la réinitialisation ou le chargement parallèle.
Caractéristiques:
- Comptage et chargement synchrones
- Capacité de transport anticipée pour une mise en cascade facile
- Capacité de préréglage pour un fonctionnement programmable
- Sorties 3 ÉTATS pour les systèmes organisés par bus

Vous pouvez télécharger la fiche technique :
Cliquez ici

Avis
Il n’y a pas encore d’avis.