Caractéristique :
- TRANSISTOR NPN

- CAPACITÉ HAUTE TENSION
- CAPACITÉ DE COURANT ÉLEVÉE
- VITESSE DE COMMUTATION RAPIDE
Applications :
- CONVERTISSEURS HAUTE FRÉQUENCE ET RENDEMENT
- ÉQUIPEMENT INDUSTRIEL LINÉAIRE ET DE COMMUTATION
Descriptifs :
Descriptifs :
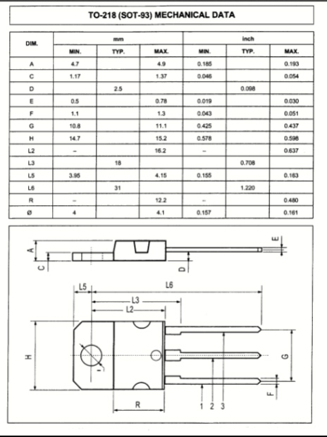
Le BUX98AP est un transistor mesa NPN multiépitaxial au silicium dans un boîtier plastique jedec TO-218, destiné à être utilisé dans des applications industrielles à partir d’un fonctionnement sur secteur monophasé et triphasé.


Vous pouvez télécharger la fiche technique :


Avis
Il n’y a pas encore d’avis.