- Construction de matrices passivées en verre
- Idéalement adapté à l’assemblage automatique
- Faible chute de tension directe, rendement élevé
- Taux de surcharge de surtension jusqu’à 150 A en crête
- Faible perte de puissance
- Temps de récupération rapide
- Le matériau du boîtier en plastique est inflammable selon les normes UL.
- Classification 94V-0 CHG
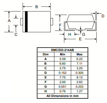
Données mécaniques - Boîtier : SMC/DO-214AB, plastique moulé
- Bornes : plaquées à souder, soudables selon MIL-STD-750, méthode 2026
- Polarité : bande cathodique ou encoche cathodique
- Marquage : numéro de type
- Poids : 0,21 grammes (environ)
Valeurs nominales maximales et caractéristiques électriques @TA=25°C, sauf indication contraire


Vous pouvez télécharger la fiche technique :
Cliquez ici


Avis
Il n’y a pas encore d’avis.