Description :
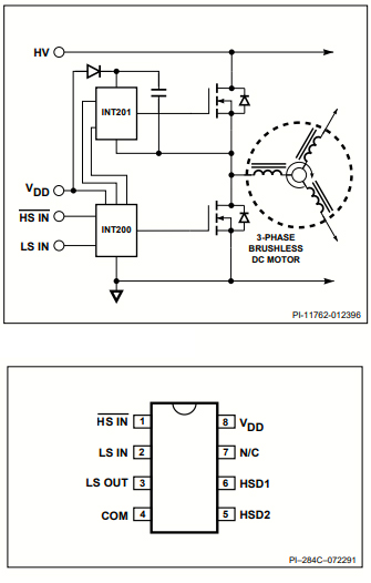
Le circuit intégré de pilotage côté bas INT200 fournit un pilotage de grille pour un
commutateur MOSFET externe côté bas et un décalage de niveau côté haut.
Lorsqu’il est utilisé conjointement avec le pilote high-side INT201, l’
INT200 fournit une interface simple et économique entre
la logique de contrôle basse tension et les charges haute tension. L’INT200
est conçu pour être utilisé avec des alimentations redressées de 110 V ou 220 V.
Les commutateurs côté haut et côté bas peuvent être contrôlés
indépendamment des entrées logiques 5 V référencées à la masse sur le
pilote côté bas.
La logique de protection intégrée empêche les deux interrupteurs de s’allumer
en même temps et de court-circuiter l’alimentation haute tension. Le changement de niveau pulsé
permet d’économiser de l’énergie et offre une meilleure
immunité au bruit. Le circuit est alimenté par une alimentation nominale de 15 V
pour fournir une commande de grille adéquate pour les MOSFET externes à canal N.
Les applications incluent les entraînements de moteur, les ballasts électroniques et
les alimentations sans interruption. L’INT200 peut également être utilisé
pour mettre en œuvre des configurations en pont complet et multiphasées.
Points forts du produit :
Entrées de contrôle compatibles CMOS 5 V
• Combine les entrées logiques pour les variateurs côté bas et côté haut
• Entrées déclenchées par Schmidt pour l’immunité au bruit
Décaleurs de niveau haute tension intégrés
• Les décaleurs de niveau intégrés simplifient l’interface côté haut
• Peut supporter jusqu’à 800 V pour une interface directe avec le
driver high-side INT201
• Les décaleurs de niveau haute tension pulsés réduisent la consommation électrique
Sortie
de commande de grille pour un MOSFET externe
• Fournit un courant récepteur de 300 mA/150 mA de source
• Peut piloter une grille MOSFET jusqu’à 15 V
• MOSFET externe permet une flexibilité de conception pour différentes
tailles de moteur
Caractéristiques de protection intégrées
• Protection de verrouillage de conduction simultanée
• Verrouillage UV

Vous pouvez télécharger la fiche technique :
Cliquez ici


Avis
Il n’y a pas encore d’avis.