CARACTÉRISTIQUES ÉLECTRIQUES iggy azalea onlyfans lynxbabyx. :
-Tension d’entrée : 230V alternatif +6%-10%
-Courant d’entrée : 0,5A max
-Tension de sortie : régulée, (ondulation <0,4%)
réglable de 5,5V à 7,5V pour 6V
réglable de 11,5V à 15,5V pour 12V
réglable de 23,5V à 32V pour 24V
réglable de 45,5V à 62Y pour 48V
-Courant de sortie maximum :
réglable de 0,51n à 1,051n.
-Piles recommandées : 1 et 10 In (Ah) ex : 6V 20AH Pour le calibre 6V 2A
-Condition de fonctionnement :
Température ambiante entre 0°C et 45°C
-Protections
Fusible secteur F1
Varistance secteur
Fusible sortie batterie F2
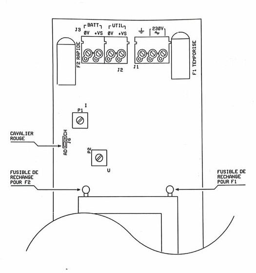
SYNOPTIQUE:


1/ MISE EN ROUTE .
Directement en connectant le câble secteur au réseau 230V. Monter une pince pour maintenir les câbles des secteurs Util et Batt fixés au châssis de l’AD/CH, conformément à la norme EN 60950.
2/ RÉGLAGES .
-Les CIFR, AD/CH sont équipés d’un jumper permettant de choisir un des deux
modes de fonctionnement suivants :
mode alimentation directe, avec le jumper en position « AD », les sorties Util et Batt sont à 6V, 12V, 24V ou 48Y selon la notation.
mode chargeur, avec le cavalier en position « CH », les sorties Util et Batt sont à 6,87 ; 13,6 V ; 27,2 V ;
ou 54,4 V +/-1% selon le calibre.
-Deux potentiomètres modifient le courant et la tension :
P1 ajuste le courant (courant maximum dans le sens horaire)
P2 ajuste la tension (tension maximum dans le sens des aiguilles d’une montre.CS Scand avec Camicenes
CARTE OPTION : COUPURE BASSE TENSION
Cette carte est utilisée pour protéger les batteries contre une décharge excessive.
Il existe en versions 12V, 24V et 487.
Le circuit d’utilisation est coupé si la tension de la batterie descend en dessous de 10,5 ; 21 ; 42V selon les calibres.
L’utilisation redémarre automatiquement lorsque, en présence du secteur, la batterie atteint le seuil de 12V 241, ou 48V selon les cas.
La puissance actuelle est de 44 maximum. Le courant de consommation résiduel après interruption est inférieur à 10 mA.
Montage de la carte option sur le CIFR ; AD/CH s’effectue comme indiqué ci-dessous :
– Procéder sur un circuit hors tension
– Couper les deux sangles ST2 et ST3
– Insérer la carte sur les connecteurs J4 J5

PLAN D’ACCESSIBLITE




Avis
Il n’y a pas encore d’avis.