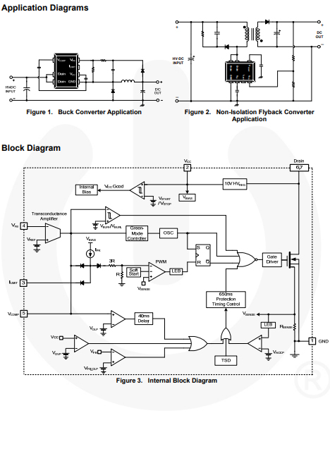
- SenseFET robuste Avalanche intégré : 650 V
- Fréquence de fonctionnement fixe : 50 kHz
- Consommation électrique à vide : < 25 mW à 230 VAC avec polarisation externe ; <120 mW à 230 VAC sans polarisation externe
- Pas besoin d’enroulement de polarisation auxiliaire
- Modulation de fréquence pour atténuer les EMI
- Limitation du courant impulsion par impulsion
- Courant de fonctionnement ultra-faible : 250 µA
- Circuit de démarrage et de démarrage progressif intégré
- Limite de courant de crête réglable
- Amplificateur de transconductance (erreur) intégré
- Diverses protections : protection contre les surcharges (OLP), protection contre les surtensions (OVP), protection en boucle ouverte de rétroaction (FB_OLP), AOCP (protection contre les surintensités anormales), arrêt thermique (TSD)
- Correction du temps de redémarrage de 650 ms pour le mode de redémarrage automatique sécurisé de toutes les protections
Applications
- SMPS pour les appareils électroménagers et les applications industrielles
- SMPS pour l’alimentation auxiliaire

Vous pouvez télécharger la fiche technique :


Avis
Il n’y a pas encore d’avis.